• 工业自动化解决方案
    工业自动化解决方案
  • 管道完整性监测系统
    管道完整性监测系统
  • 数字孪生
    数字孪生
  • MES
    MES
  • 物联网
    物联网
无人值守站场及区域管理

无人值守站场及区域管理

橇装一体化远传监控站

橇装一体化远传监控站

阀室放空操作控制系统

阀室放空操作控制系统

数字化抽油机控制柜

数字化抽油机控制柜

管道完整性监测系统

管道完整性监测系统

数字孪生技术

数字孪生技术

离散行业MES

离散行业MES

油气行业MES

油气行业MES

智慧水利综合解决方案

智慧水利综合解决方案

高空作业安全带智能化远程监测

高空作业安全带智能化远程监测

  • DCS系统
    DCS系统
  • SCADA系统
    SCADA系统
  • 过程控制器
    过程控制器
  • 安全控制器
    安全控制器
  • 工业开发软件
    工业开发软件
DCS系统

DCS系统

SCADA系统

SCADA系统

大中型分布式混合控制器

大中型分布式混合控制器

大中型机架式混合控制器

大中型机架式混合控制器

边缘计算混合控制器

边缘计算混合控制器

中小型一体化混合控制器

中小型一体化混合控制器

安全控制器

安全控制器

工业自动化信息平台(HMI+)

工业自动化信息平台(HMI+)

  • 荣誉资质
    荣誉资质
  • 研发中心
    研发中心
  • 服务体系
    服务体系
企业资质

企业资质

企业荣誉

企业荣誉

知识产权

知识产权

管理体系

管理体系

开发中心

开发中心

长期维保

长期维保

定期维保

定期维保

紧急服务

紧急服务

  • 油气行业上游应用
    油气行业上游应用
  • 油气行业中游应用
    油气行业中游应用
  • 油气行业下游应用
    油气行业下游应用
  • 水务&水处理
    水务&水处理
  • 制造业&其他
    制造业&其他
长庆油田

长庆油田

塔里木油田

塔里木油田

青海油田

青海油田

普光气田

普光气田

国家油气管网

国家油气管网

中俄东线天然气管道项目

中俄东线天然气管道项目

中石油塔里木南疆利民工程

中石油塔里木南疆利民工程

中海油广东大鹏LNG项目

中海油广东大鹏LNG项目

中国燃气项目

中国燃气项目

北京燃气项目

北京燃气项目

成都天府国际机场天然气调压站及内管网工程项目

成都天府国际机场天然气调压站及内管网工程项目

新奥燃气舟山LNG采样系统

新奥燃气舟山LNG采样系统

新疆地下水资源在线监测管理平台

新疆地下水资源在线监测管理平台

北京怀柔备用水源供水控制系统

北京怀柔备用水源供水控制系统

中海油管道涂敷数字化控制技术研究与示范应用

中海油管道涂敷数字化控制技术研究与示范应用

国产PLC可编程控制器控制系统解决方案IIE-Logic ELC200 硬件-安装

发布时间: 2023-11-30
浏览量: 46760

安装维护

5.1 安装

ELC200 可采用 35mm 导轨安装或壁挂式安装两种方式。

5.1.1 导轨安装

ELC200 上配套有导轨安装片,安装时,仅需要在机柜安装板上固定导轨,之后将

导轨片固定在导轨上。导轨片如下图所示(单位为:mm)。

图 2 导轨片结构

5.1.2 壁挂式安装

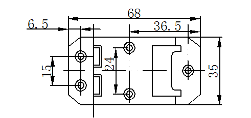
在设备上有配有安装螺丝孔,可以通过如下开孔尺寸在机柜安装板上打孔来固定控制器

安装尺寸如下图所示(单位为:mm)。

图 3 壁挂式固定安装尺寸

5.2 拆卸

步骤 1:如采用导轨安装,在拆卸过程中,需要在垂直方向,用力往下按压设备,使导

轨片脱离导轨,可以将设备从导轨上取下;

步骤 2:如采用法兰安装方式,在拆除 ELC200 底板上的固定螺丝即可。